Module Aqara T2 là một thiết bị thông minh giúp chuyển đổi chế độ nút khô qua đường kết nối, điều khiển động cơ, cửa nhà để xe, cổng cuốn và các thiết bị nút khô khác. Bài viết này cung cấp hướng dẫn lắp đặt đơn giản, chi tiết tại nhà.
I. Chuẩn bị trước khi lắp

- Module Aqara T2: Đảm bảo mua đúng sản phẩm và đầy đủ phụ kiện.
- Dụng cụ: Tua vít, kìm, băng dính cách điện (nếu cần).
- Nguồn điện: Cung cấp nguồn ổn định cho module.
- Ứng dụng Aqara Home: Tải và cài đặt trên điện thoại để điều khiển.
- Kiến thức cơ bản về điện: Nắm quy tắc an toàn khi làm việc với điện.
II. Một số lưu ý trước khi đấu nối
- Ngắt nguồn điện: Trước khi lắp, ngắt nguồn tại vị trí cần lắp.
- Đọc kỹ hướng dẫn: Hiểu rõ thông số kỹ thuật và cách kết nối.
- Chọn vị trí lắp đặt: Nơi khô ráo, thoáng mát, dễ tiếp cận.
- Chuẩn bị dây dẫn: Nối chắc chắn và cách điện tốt.
III. Sơ đồ đấu nối Module Aqara T2

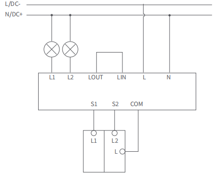
Cách 1: Đấu theo tiếp điểm ướt
- Xác định các chân: L, N, L1, L2, L-in, L-out, COM, S1, S2.
- Bước 1: Cấp nguồn
- Dây lửa đấu với cổng L.
- Dây trung tính đấu với cổng N.
- Dây màu đỏ trong bộ đấu nối L-out với L-in.
- Bước 2: Nối dây
- Dây lửa thiết bị (đèn, quạt…) nối với L1 hoặc L2 của relay.
- Dây từ cổng L2 của công tắc cơ cũ nối vào S2 của relay (đối với công tắc 2 nút).
- Dây từ cổng COM của công tắc cơ cũ nối vào COM của relay.
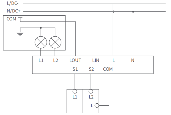
Cách 2: Đấu theo tiếp điểm khô

- Vị trí S1, S2: Là dây tín hiệu đầu vào tương ứng với L1 và L2. Khi S1 tiếp xúc với COM, kích hoạt trạng thái L1; khi S2 tiếp xúc, kích hoạt L2.
- Ứng dụng: Dùng cho cửa cuốn, cổng tự động, rèm đóng mở.
- Quy trình đấu nối
- Nối chân COM của bộ điều khiển cổng, rèm vào chân L-out của thiết bị.
- Nối chân L1, L2 vào các chân điều khiển đóng mở của rèm, cửa cuốn.
- L1, L2 sẽ là hai công tắc điều khiển chế độ đóng mở.
- Nhắc nhở
- Phương pháp phức tạp hơn, yêu cầu kiến thức chuyên môn.
- Kiểm tra sơ đồ mạch điện của thiết bị cần điều khiển.
- Tuân thủ hướng dẫn cụ thể cho từng loại thiết bị.
IV. Lưu ý
- Phương pháp đấu nối phụ thuộc vào loại thiết bị muốn điều khiển.
- Nếu không tự tin về kỹ năng, nên nhờ thợ điện chuyên nghiệp.
V. Tham khảo thêm
- Hướng dẫn cài đặt bộ điều khiển trung tâm Aqara Hub
- Hướng dẫn cài đặt công tắc âm tường thông minh Aqara D1
- Hướng dẫn cài đặt cơ bản Camera Aqara G3
Với An Ninh Bảo Mật, bạn có thể yên tâm về chất lượng và dịch vụ khi lựa chọn thiết bị nhà thông minh Aqara.
Bạn cần tư vấn hoặc muốn xem sản phẩm?
Anninhbaomat.com cung cấp đầy đủ thiết bị Smart Home, camera an ninh và khóa thông minh chính hãng giá tốt nhất.
