Trong cuộc sống hiện đại, việc tối ưu hóa tiêu thụ năng lượng không chỉ giúp giảm chi phí mà còn bảo vệ môi trường. Một trong những thiết bị tiêu thụ điện đáng kể trong gia đình chính là bình nước nóng. Bằng cách điều khiển và hẹn giờ thông minh, bạn có thể tận dụng tối đa năng lượng và tăng tính tiện nghi.
Tại sao cần điều khiển, hẹn giờ bình nước nóng?

Bình nước nóng là một thiết bị không thể thiếu trong mỗi gia đình. Tuy nhiên, việc sử dụng nó một cách không hiệu quả có thể dẫn đến lãng phí năng lượng và tăng chi phí hàng tháng. Hiện nay với sự phát triển của công nghệ nhà thông minh, mọi thiết bị điện trong nhà đều có thể được tự động hóa và kiểm soát “online”. Trong đó bao gồm cả bình nước nóng. Việc điều khiển, hẹn giờ bật tắt bình nước nóng thông qua hệ thống nhà thông minh không chỉ giúp bạn tiết kiệm năng lượng mà còn mang lại sự thuận tiện và an toàn.
Cách thức hoạt động của giải pháp điều khiển, hẹn giờ bình nước nóng?

Việc điều khiển, hẹn giờ bình nước nóng sẽ được thực hiện thông qua công tắc thông minh. Đối với các thương hiệu smart home hiện có trên thị trường Việt Nam chỉ có số ít các thương hiệu có công tắc thông minh công suất cao. Bởi bình nóng lạnh là 1 thiết bị chịu tải khá lớn. Tuy nhiên đây không phải là vấn đề bởi công tắc thông minh thông thường cũng có thể điều khiển được bình nóng lạnh.
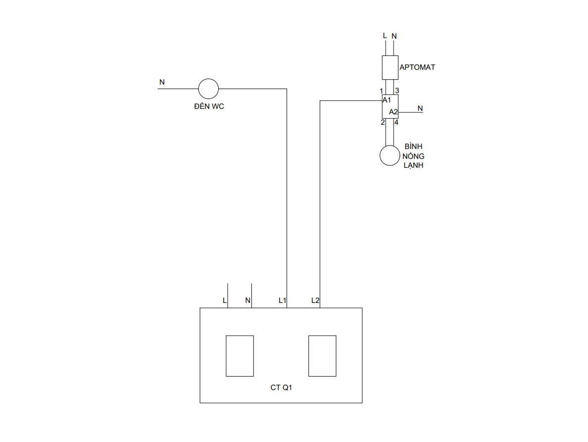
Vậy công tắc thông minh thông thường sẽ điều khiển như thế nào khi bản thân nó không đủ công suất để chịu tải cho bình nóng lạnh? Câu trả lời là sẽ đấu nối thêm 1 thiết bị khởi động từ.

- Công tắc Aqara Q1
- Với bình nóng lạnh thông qua khởi động từ
Nói về thương hiệu Aqara hiện nay cũng đã có công tắc thông minh công suất cao dùng cấp nguồn và điều khiển cho bình nóng lạnh. Đó là Công tắc thông minh Aqara H1 20A đang được An Ninh Bảo Mật phân phối chính hãng tại Việt Nam. Tuy nhiên hiện công tắc chỉ có phiên bản quốc tế.
Ví dụ về cài đặt tự động hóa
- 18h tự động bật, sau 15 phút tự động tắt cho tất cả các ngày trong tuần
- Hợp nhất với thông tin thời tiết: Hôm nào nhiệt độ lớn hơn 28 độ C thì không bật bình nóng lạnh. Nếu nhỏ hơn 28 độ sẽ tự động bật tắt vào khung giờ nào đó.
- Đồng bộ với cảm biến nhiệt độ Aqara để setup ngữ cảnh bật tắt.
Lợi ích từ việc điều khiển, hẹn giờ bình nước nóng thông minh
- Tiết kiệm năng lượng: Hẹn giờ điều khiển giúp bạn sử dụng bình nóng lạnh một cách hiệu quả, giảm lượng điện tiêu thụ một cách đáng kể.
- Tiện lợi: Bạn có thể điều khiển bình nóng lạnh từ bất kỳ đâu thông qua ứng dụng trên điện thoại di động.
- An toàn: Việc hẹn giờ điều khiển giúp tránh được tình trạng quên tắt bình nóng lạnh, giảm nguy cơ gây hỏng hóc hoặc tai nạn.
Kết luận
Với các giải pháp nhà thông minh hiện nay, việc hẹn giờ điều khiển bình nóng lạnh trong hệ thống smart home không còn là điều gì quá mới lạ. Đây không chỉ là một cách tiết kiệm năng lượng mà còn là một sự đầu tư thông minh cho gia đình của bạn. Tuy nhiên để lắp đặt và sử dụng giải pháp này thì không phải ai cũng có thể tự làm được nếu bạn không có chuyên môn về điện và chuyên môn về các sản phẩm nhà thông minh. An Ninh Bảo Mật với kinh nghiệm 8 năm triển khai thi công hạng mục điện thông minh cho các công trình sẽ là một đối tác đáng tin cậy có thể đồng hành hoàn thiện hạng mục điện thông minh cho ngôi nhà của bạn.
